← Retour Maintenance terrain

Conception d’un système de levage hydraulique pour trémie 1T

Dimensionnement d’un levage hydraulique (≈1 tonne) avec contraintes de cycle, stabilité et sécurités (schéma hydraulique + protections).

2023HydrauliqueDimensionnementSécuritéSchémaMoteur triphasé

Astuce : clique sur l’image pour l’ouvrir en plein écran (ESC pour fermer).

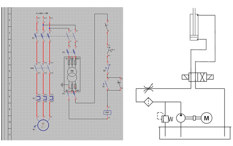
Objectif

Concevoir un système de levage pour soulever une trémie ≈ 1 022 kg (course 600 mm, temps de montée ≤ 3 min) avec un mouvement stable et une architecture sécurisée exploitable en environnement industriel.

Méthode

  • Analyse du besoin : charge, hauteur, temps de cycle, marges de sécurité.
  • Comparatif pneumatique/hydraulique et choix hydraulique (forte charge).
  • Dimensionnement : pression de service, débit nécessaire, sélection pompe compatible.
  • Architecture : schéma hydraulique (pompe, vérin, distributeur, protections), limiteur de pression et limiteur de débit.
  • Intégration électrique : moteur triphasé, protections, schéma de commande.

Résultats

  • Système capable de lever et maintenir en sécurité une charge > 1 tonne.
  • Mouvement stable et maîtrisé (réglage de débit).
  • Pression de service optimisée avec marge de sécurité intégrée.
  • Architecture conforme aux standards hydrauliques industriels, transposable à d’autres applications.

Points clés

  • Dimensionnement orienté application réelle
  • Intégration hydraulique + électrique
  • Sécurité dès la conception
  • Schémas normalisés
  • Vision système